Page 295 - 21-工艺气体元件(特气阀)
P. 295
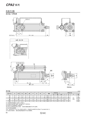
CPA2 系列
外形尺寸图
基本型/CPA2B
62 IN.Rc1/4
31 35 □C
SUP.Rc1/4 135+行程 G □B
缸径/80, 100
50
ø38
100
SUP
40
MM
øD øE øe
A
N N F f l
S+行程 H h+l
ZZ+行程 ZZ+l+行程
带防护套
尺寸表 (mm)
无防护套 带防护套
缸筒内径 A □ B □ C øD øE F G N S MM
H ZZ øe f h l ZZ
50 35 70 52 20 40 10 31 30 90 M18×1.5 58 159 52 11.2 66 167
63 35 85 64 20 40 10 31 31 98 M18×1.5 58 170 52 11.2 66 1/4 178
80 40 102 78 25 52 14 41 37 116 M22×1.5 71 204 65 12.5 80 行程 213
100 40 116 92 30 52 14 41 40 126 M26×1.5 72 215 65 14 81 224
注1) 请使用经除湿除尘的清洁压缩空气。
注2) 安装时请注意不要使气缸活塞杆处于扭拧状态。
注3) 请勿对反馈弹簧保护罩施加力。
注4) 零点会因安装姿势发生变化,请您在装置设置后自行零点调整。
注5) 请勿使用油雾器。
注6) 气缸的外形尺寸基于本公司的CA2系列。详情请参见网络样本或Best Pneumatics No.②。
注7) 在室外使用时,请采取相应措施使其不受风雨影响。
65

