Page 500 - 21-工艺气体元件(特气阀)
P. 500
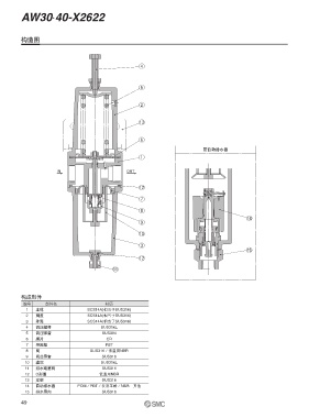
AW30·40-X2622
构造图
;
=
@
B
带自动排水器
:
IN OUT
>
2
8
.
构成部件
编号 部件名 材质
1 主体 SCS14A(相当于SUS316)
2 阀盖 SCS14A(相当于SUS316)
3 外壳 SCS14A(相当于SUS316)
4 调压螺杆 SUS316L
5 调压弹簧 SUS304
6 膜片 CR
7 导流板 PBT
8 阀 SUS316/低温用NBR
9 阀芯导套 SUS316
10 滤芯 SUS316L
11 排水旋塞阀 SUS316
12 O形圈 低温用NBR
13 支架 SUS316
14 自动排水器 POM/PBT/发泡苯酚/NBR 其他
15 排水导向 SUS316
49

