Page 644 - 21-工艺气体元件(特气阀)
P. 644

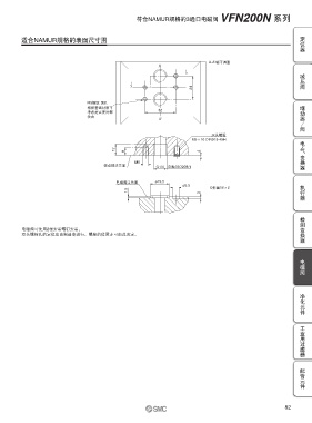
符合NAMUR规格的3通口电磁阀                 VFN200N             系列


                                                                                                                            定位器
                适合NAMUR规格的表面尺寸图



                                                                                        A-A'轴可调整
                                                                     A
                                                                                                                            减压阀


                                                                                  24


                                          M5螺纹 深8、                                                                          继动器/阀
                                          根据基础材质可
                                          考虑是否使用螺                    32
                                          纹套
                                                                     A'

                                                                                         双头螺栓
                                                                                  M5×10 DIN913-45H                          电
                                                                                                                            - 气
                                                    12  8                            2                                       变换器

                                                            M5
                                                驱动部法兰面
                                                                    G1/4  DIN/ISO228/1

                                                     电磁阀法兰面         ø19.5                                                   执行器
                                                                              ø5.5
                                                         1.5                         3  O形圈16×2



                                                                                                                            检测变换器


                电磁阀可使用2根安装螺钉安装。
                双头螺栓孔的定位应由制造商进行。螺栓的位置亦可由此决定。




                                                                                                                            电磁阀






                                                                                                                            净化元件





                                                                                                                            工业用过滤器









                                                                                                                            配管元件







                                                                                                                     82
   639   640   641   642   643   644   645   646   647   648   649