Page 151 - 08-气源处理元件
P. 151
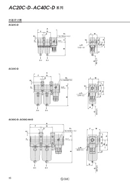
AC20C-D~AC40C-D 系列
外形尺寸图
AC20C-D
A
F N
S P2 J M
R (压力表连接口径)
C K Q1 V1
IN OUT
Q1
2×P1 Q2 V2
(接管口径)
B
U
排水 排水
G 维护空间
AC30C-D
A
F N
S P2 J M
R (压力表连接口径)
C K Q1 V1
IN OUT
Q1 V2
2×P1
(接管口径) U
B
E
排水 排水
G 维护空间
AC40C-D~AC40C-06-D
A
F N
S P2 J M
(压力表连接口径)
R
C V1
Q1
IN OUT
Q1
Q2 V2
2×P1
(接管口径)
B U
E
维护空间 G
排水 排水
35

