Page 155 - 08-气源处理元件
P. 155
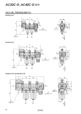
AC20C-D~AC40C-D 系列
外形尺寸图/带残压释放3通阀(V1)
AC20C-V1-D
A
F N N J M
S
R
C
IN OUT K Q1 V1
Q1
2×P1 Q2 V2
P2 (接管口径)
B (压力表连接口径)
EXH
U
P3
(接管口径)
排水 排水
G 维护空间
AC30C-V1-D
A
F N N J M
S
R R
C V1
K Q1
IN OUT
Q1 V2
2×P1
P2 (接管口径)
B EXH (压力表连接口径) U
P3 E
(接管口径)
排水 排水
G 维护空间
AC40C-V1-D~AC40C-06-V1-D
A
F N N J M
C
Q1 V1
IN OUT
Q1 Q2
2×P1 V2
(接管口径)
P2
B EXH (压力表连接口径) U
P3 E
(接管口径)
排水 排水
G 维护空间
39

