Page 693 - 21-工艺气体元件(特气阀)
P. 693
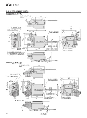
IP8□ 系列
外形尺寸图/IP8000(杠杆型)
IP8000-0□0(无端子盒)
OUT2:1/4(Rc,NPT,G) 110
带堵头
38
A
SUP.1/4(Rc,NPT,G)
192
OUT1.1/4(Rc,NPT,G) 198 40 110
2×M8×1.25 深12
23.5 43 35 58 23.5
38 (侧面安装用内螺纹)
11 9 OUT2
MPa
39 39
117 42
147 MPa 20 6.1 16
A POSITIONER 65
ELECTRO PNEUMATIC IP8000 122
50 22.5
1
125
附带品分类E的场合110
附带品分类F的场合110 5
E
150
35 1/2(G,NPT),M20 125 附带品分类E的场合195 4×M8×1.25 深12
电气配线 194 附带品分类F的场合275
(背面安装用内螺纹)
带树脂线缆类的场合(可选项)
适合线缆外径 ø7~ø9:P368010-26
适合线缆外径 ø9~ø11:P368010-27
100
30 46
2
IP8000-0□1(带端子盒) 14
OUT2:1/4(Rc,NPT,G)
110
带堵头
38
SUP.1/4(Rc,NPT,G) A
OUT1.1/4(Rc,NPT,G)
192
218 40 110
2×M8×1.25 深12
23.5 43 (侧面安装用内螺纹) 35 58 23.5
38
11 9 OUT2
MPa
39 39
117 42 6.1 16
162 MPa 20
A POSITIONER 122 65
ELECTRO PNEUMATIC IP8000
50 22.5
125
附带品分类E的场合110
附带品分类F的场合110 5
150
125 4×M8×1.25 深12
8 12 168 附带品分类E的场合195 (背面安装用内螺纹)
附带品分类F的场合275
电气配线:2×G1/2
100
E
60 2 30
14
21

