Page 696 - 21-工艺气体元件(特气阀)
P. 696
电-气定位器
智能定位器 IP8□ 系列
定位器
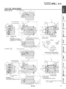
外形尺寸图/IP8101(回转型)
IP8101- 0□0 -W OUT2.1/4(Rc,NPT,G) 110
0□3
38
减压阀
A
231
OUT1.1/4(Rc,NPT,G) 192 继动器/阀
198
40 110
SUP.1/4(Rc,NPT,G) 23.5 43
38 35 58 23.5
11 9 SMC OUT2
MPa 42
39 39 0%
117 SMC
147 MPa electro-pneumatic 25% 65 20 电
A DA 50% 122 50 - 气
75% 22.5 变换器
1
100%
E
125 4×M8×1.25 深12
35 1/2(G,NPT),M20
电气配线 194 2×M8×1.25 深12 背面安装用内螺纹
带外部刻度板(附带品分类:H)的场合 侧面安装用内螺纹
带树脂线缆类的场合(可选项) 执行器
适合线缆外径 ø7~ø9:P368010-26 定位器主体
适合线缆外径 ø9.1~ø11:P368010-27
压簧
B B
7
121 24
70(46) 63(39) B-B 检测变换器
44 46 叉针单元
15 21
拨叉杠杆式接头
0□2
□-IP8101- OUT2.1/4(Rc,NPT,G) 110
0□4 M8×1.25或M6×1
执行器主轴
38
使用拨叉杠杆式接头[可选项]的安装示例
( )内尺寸为拨叉杠杆式接头S□的场合
电磁阀
A
231 192
OUT1.1/4(Rc,NPT,G) 198
40 110
SUP.1/4(Rc,NPT,G) 23.5 43 净化元件
38 35 58 23.5
11 9 SMC OUT2
MPa 42
39 39 0%
109 SMC
147 MPa 25% 65 20 工业用过滤器
A DA 50% 122
electro-pneumatic 50
75% 22.5
14 100%
23 28 125
4×M8×1.25 深12
2×1/2(G,NPT),M20 229 背面安装用内螺纹
电气配线 2×M8×1.25 深12
侧面安装用内螺纹 配管元件
树脂制线缆夹
适合线缆外径 ø6~ø12 带外部刻度板(附带品分类:H)的场合
(仅在选择本质安全防爆构造品M20时附带)
121 注) 附带品区分的带LCD窗主体外壳与型号规格
无关,可任意选择。
44 46
15
24

