Page 88 - 17-流体控制元件
P. 88
VDW 系列/产品单独注意事项e
使用前必读。安全注意事项请参见封底,流体控制用2通电磁阀的共同注意事项请由《SMC产品
使用注意事项》(M-C03-3)以及《使用说明书》上确认。
使用说明书可在本公司网站主页下载。http://www.smc.com.cn
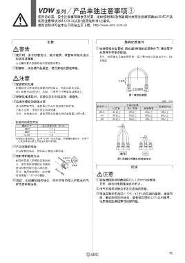
配管 推荐配管条件
警告 q快换管接头配管时,请在图1推荐的配管条件下,确保管子
长度保有余量后配管。
q使用时,由于软管劣化、接头破损,软管有可能从接头
另外,使用捆扎带捆束配管时,请不要对接头部施加外力。(参
处脱落或爆裂。
见图2)
应设置防管子暴裂的保护罩或固定管子。
w配管时,请勿使产品悬空,使用安装孔固定牢靠。
注意
直通部
q配管前的处置
配管前充分吹净或洗净管内的切削末、切削油和灰尘等。 安装间距A
由于配管引起的拉伸、压缩、弯曲等力不要施加到阀体上。
图1 推荐配管图
w配管接地连接时,系统会发生电蚀腐蚀,请避免。
e应遵守螺纹的紧固力矩 单位 :mm
安装间距A
进行钢管配管时,请按照以下适当的紧固力矩拧紧。 配管尺寸 直通部长度
尼龙管 软尼龙管 聚氨酯管
力矩不足时,可能会发生流体泄漏。
ø3.2 44以上 29以上 25以上 16以上
另外,安装接头时,请使用符合各接头的标准紧固力矩拧紧。
ø4 56以上 30以上 26以上 20以上
ø6 84以上 39以上 39以上 30以上
配管时的紧固力矩
螺纹尺寸 适合紧固力矩 N·m
M5 ※ 1~1.5
M6 ※ 1~1.5
Rc1/8 7~9
※树脂主体的场合,为0.4~0.6N·m(参考值)。拧紧螺纹接头时,在用手
拧紧后再用拧紧工具将其拧紧约1/6圈。
r产品配管的场合
产品配管的场合,供给通口等请不要误接。
推荐 NG
t密封带的卷绕方法
卷绕方向 图2 用捆扎带捆扎配管的场合
配管和管接头类螺纹连接的场
合,请勿将配管螺纹的切屑和
密封带
密封材料的碎片混入阀内部。 配线
另外,使用密封带时,应在螺 留出2个螺距 注意
纹前端留下1.5〜2个螺距。
2
y真空、无泄漏规格的场合,对于异物的混入和接头的气 q配线请使用导体截面积0.5~1.25mm 的电线。
密性要特别注意。 另外,请勿向电线施加多余的力。
w电气回路采用触点不发生振荡的回路。
e电压在额定电压的-10%~+10%的范围内使用。直流电
源,重视响应性的场合,请在额定值的±5%以内使用。
电压降是连接线圈导线部的值。
15

