Page 91 - 21-工艺气体元件(特气阀)
P. 91
高纯度适用 背压阀 高纯度适用 背压阀 BP1000 系列
BP1000 Welded 系列
● 适用于高纯度工艺气体的供给气路 接触气体部材质
设定压力范围 0.0034~2.1MPa
● 推荐品种
● 阀体材质 SUS316L二次熔炼 材质记号 S SH
● 需抗腐蚀的场合,内部材质也可是赫氏合金 阀体 SUS316L二次熔炼
膜片 SUS316L 赫氏合金 ® C-22
孔口 SUS316L 赫氏合金 ® C-22
阀座 FKM(可选项: PTFE、Kalreg ® ) 减压阀减压阀
型号表示方法 RoHS 内部密封 PTFE
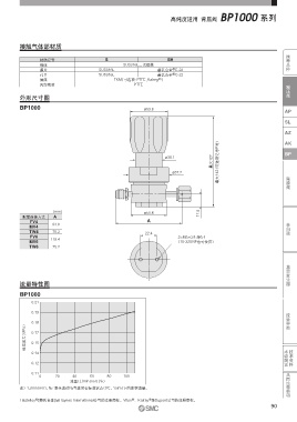
通口序号 外形尺寸图
q w e
BP10 01 S 2PW FV4 FV4 BP1000 ø53.8 AP
设定压力 SL
记号 设定压力范围
01 0.0034~0.07MPa 配管连接方式(进口侧q、出口侧w) 阀盖可选项 AZ
02 0.007~0.2MPa 记号 配管连接方式 记号 阀盖
06 0.014~0.4MPa FV4 1/4面密封接头(内螺纹) 无记号 标准 AK
10 0.034~0.7MPa MV4 1/4面密封接头(外螺纹) P 面板安装 注)
20 0.1~1.4MPa TW4 1/4焊接管 BP
BP
30 0.1~2.1MPa FV6 3/8面密封接头(内螺纹) 注)面板安装孔尺寸为 ø38.1 (可选项记号P时)
ø36.1。
MV6 3/8面密封接头(外螺纹) 最大127
材质 TW6 3/8焊接管
记号 阀体 孔口 膜片 阀座材质 ø57.2 隔膜阀
S SUS316L SUS316L 记号 材质 最大142
SH 二次熔炼 赫氏合金 ® C-22 压力表通口(进口侧e) 无记号 FKM(标准)
注)
记号 压力表 TF PTFE
KZ
内面粗糙度 无记号 无表通口 Kalreg ®
记号 表面粗糙度 Ra max 0 无压力表
无记号 0.4µm(标准) 通口数 接头: 1/4面密封 外螺纹 压力表表示 注)
M 0.25µm 记号 通口数 V3 −0.1~0.2MPa 记号 表示 (mm)
V 0.18µm 2PW 2通口 L −0.1~0.4MPa 无记号 不适用 配管连接方式 A ø50.8 17.5
X 0.13µm 3PW 3通口 1 −0.1~0.7MPa MPA MPa FV4 A 单向阀
H −0.1~1.1MPa 94.0
V2 −0.1~1.4MPa 注)选择带压力表的场合, MV4
通口位置 2 0~1.4MPa 请记入“MPA”记号。 TW4 75.2 22.4
4 0~3MPa FV6 119.4 2×M5×0.8 深6.4
e MV6 (10-32UNF也可使用)
注)压力表详见压力表指南(P.115高纯度工 TW6 75.2
w q w q 艺气体用压力表)。
压力表请选择比减压阀的设定压力范围
大的范围。
2PW 3PW 真空发生器
型号记入例
Port e
qIN wOUT eIN侧表通口 BP10 01 S 2PW FV4 FV4
3PW FV4 FV4 V3 MPA
流量特性图
BP1000
规格
0.21
型号 BP1001 BP1002 BP1006 BP1010 BP1020 BP1030 0.19 流量开关
设定压力范围 0.0034~0.07MPa 0.007~0.2MPa 0.014~0.4MPa 0.034~0.7MPa 0.1~1.4MPa 0.1~2.1MPa
使用流体 不腐蚀接触气体部材质的流体 0.18
进口侧 最大进口侧压力的1.5倍
耐压试验压力
出口侧 最大设定压力的1.5倍 (MPa)
进口侧 最大进口侧压力的3倍 0.17
破坏压力
出口侧 最大设定压力的3倍
环境温度及使用流体温度 −10~71℃ 注1) 设定压力 0.15
(但未冻结)
3
向内泄漏 2×10 −11 Pa · m /s 术语解说 技术资料
外部泄漏 −10 0.14
3
向外泄漏 2×10 Pa · m /s He
内部泄漏 不漏气泡
内面粗糙度 Ra max 0.4µm(可选项: 0.25µm、0.18µm、0.13µm) 0.12
配管连接方式 面密封接头、焊接管 共同注意事项
安装方式 底面安装(可选项: 面板安装) 0.11 0 20 40 60 80 100
内部容积 8cm 3 流量(L/min(nor),N2)
重量 1.2kg 注2)
注)“L/min(nor), N2”表示流过N2气体时在标准状态(0℃, 1atm)下的体积流量。
注1)阀座材质PTFE的场合,为Min.−30℃。另外,环境温度及使用流体温度的范围也可变更。详情请与本公司确认。
注2)重量是大致值,随配管连接方式和可选项而不同。
Hastelloy ® (赫氏合金)是Haynes International公司的注册商标。Viton ® 、Kalray ® 是Dupont公司的注册商标。
90

