Page 8 - 06-真空用元件
P. 8
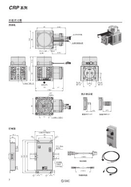
CRP 系列
外形尺寸图
压缩机
85 (100)
连接电机电缆 15.2 0
31−0.4
30 25 7.2 20 4×ø2.6
100 85 深7以下
连接传感器电缆
30 20 −0.4 31 0
6 7
M3×0.5深6
(接地) (100)
R1/8 10 4×R2以下
51.5
(133.5)
82 棕 DC(+) 白 OUT2
(44.1) 黑 OUT1 灰 FUNC
蓝 DC(−)
Rc1/8 Rc1/8
冷却空气吸入口 24 (2000)
排热空气 吸气口 70 喷气口 无防水盖
100 54
(154)
ø92 消声器安装
排热口
28.5
88
15.5 13 2×适用管子外径ø6
(19) (47) 3
安装AN10-01 安装ANB1-01 (导线长) 13 3 2×ø2.6 ø11.6
55 约300 安装孔
4×M6×1.0深10 37.1
控制器 - +
109
(安装DIN导轨时)
46.1 90
ø4.5 [42.9]
29 70 〈42.9〉 40.7
ø4.5
40.7 30.9
AN10-01 ANB1-01
DIN导轨的 2 7 1 51
安装件 5.7
19 5 23
1/8 M5×0.8
(消声器安装通口) 配管通口
181 169 155 (1000) ø11 ø22
消声器 AN05-M5
电机电缆 与电磁阀同包 R1/8 R1/8
DIN导轨
( )
不附带
DIN导轨
1 1 (1000) 15 ø6.5
(R) 4.5 (R) 4.5 传感器电缆 ※电磁阀的接头(导线长度300mm)同包。
7

