Page 73 - 21-工艺气体元件(特气阀)
P. 73
高纯度适用 一段式减压阀 负压调整适用 高纯度适用 一段式减压阀/负压调整适用 AZ1100 系列
AZ1100 系列
● 适用于高纯度工艺气体的供给气路 接触气体部材质
● 可负压调整,下游侧对应负压气体的供给 推荐品种
● 流量范围 <0.5L /min(nor) 材质记号 S SHP
阀体材质 SUS316L
● 阀体 SUS316L
● 需抗腐蚀的场合,内部材质也可是赫氏合金规格 表面处理 电解抛光+钝化处理
阀芯 SUS316L 赫氏合金 ® C-22
膜片 SUS316L 赫氏合金 ® C-22 减压阀减压阀
SUS316L
型号表示方法 RoHS 孔口 PCTFE(可选项: PTFE)
阀座
通口序号
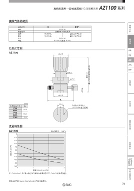
q w e r 外形尺寸图
AZ11 01 S 2PW FV4 FV4 AP
AZ1100
设定压力 ø53.8 SL
记号 设定压力范围
AZ
01 −88kPa~0.07MPa 阀盖可选项 AZ
记号 阀盖
无记号 标准
材质 P 面板安装 注) AK
记号 阀体 阀芯 膜片 孔口 阀盖通口
S SUS316L SUS316L BP (NPT1/8) BP
SUS316L 赫氏合金 ® 赫氏合金 ® SUS316L (可选项记号P时)
SHP C-22 C-22 注)面板安装孔尺寸为ø39.6。 ø38.1 最大127
内面粗糙度 阀座材质 ø57.2 隔膜阀
记号 表面粗糙度 Ra 记号 材质 最大142
无记号 0.25µm(标准) 通口数 无记号 PCTFE(标准)
Q 0.62µm 记号 通口数 TF PTFE 注)
2PW 2通口 配管连接方式(进口侧q、出口侧w) 注)PTFE阀座推荐用于工艺装置
3PW 3通口 记号 配管连接方式 等气体的末端消耗处。 17.5
4PW 4通口 FV4 1/4面密封接头(内螺纹)
通口位置 MV4 1/4面密封接头(外螺纹) ø50.8
FV6 3/8面密封接头(内螺纹) 压力表表示 注)
r MV6 3/8面密封接头(外螺纹) 记号 表示
TW6 3/8焊接管 无记号 不适用 A 单向阀
w q w q
MPA MPa (mm) 22.4
注)
压力表通口 (进口侧e、出口侧r) 注)选择带压力表的场合, 配管连接方式 A 2×M5×0.8 深6.4
2PW 3PW 记号 压力表 请记入“MPA”记号。 FV4 94.0 (10-32UNF也可使用)
无记号 无表通口 MV4
r e 无压力表 FV6
0 MV6 119.4
w q (接头:1/4面密封 外螺纹)
V3 −0.1~0.2MPa 型号记入例 q w e r TW6 75.2
Port
L −0.1~0.4MPa AZ1101S 2PW FV4 FV4 真空发生器
1 −0.1~0.7MPa
0
4PW H −0.1~1.1MPa 3PW FV4 FV4 V3 MPA
3PW FV4 FV4
2 0~1.4MPa 4PW FV4 FV4 V3 V3 MPA 流量特性图
qIN wOUT eIN侧表通口 4PW FV4 FV4 0 0
rOUT侧表通口 4 0~3MPa
注)压力表详见压力表指南(P.115)。 AZ1100 进口侧压力:14kPa
压力表请选择比减压阀的设定压力范围大的范围。 0
规格 −10
−20 流量开关
型号 AZ1101
设定压力范围 −88KPa~0.07MPa −30
使用流体 不腐蚀接触气体部材质的流体 (kPa) −40
进口侧压力范围 真空~2.1MPa −50
进口侧 最大进口侧压力的1.5倍
耐压试验压力 设定压力
出口侧 最大设定压力的1.5倍 −60
进口侧 最大进口侧压力的3倍
破坏压力 −70
出口侧 最大设定压力的3倍 术语解说 技术资料
环境温度及使用流体温度 −40~71℃(但未冻结) −80
向内泄漏 2×10 −11 Pa · m /s −90
3
外部泄漏
向外泄漏 2×10 −10 Pa · m /s 注1)
3
−9
内部泄漏 4×10 Pa · m /s 注1) −100 0 1 2 3 共同注意事项
3
内面粗糙度 Ra 0.25µm(可选项: 0.62µm) 流量(L/min(nor),N2)
配管连接方式 面密封接头、焊接管
安装方式 底面安装(可选项: 面板安装) 注)“L/min(nor), N2”表示流过N2气体时在标准状态(0℃, 1atm)下的体积流量。
内部容积 8cm 3
重量 1.25kg 注2)
注1)用钟罩法(氦气进口侧压力2.1MPa)测定。 注2)重量是大致值,随配管连接方式和可选项而不同。 赫氏合金 ® 是Haynes International公司的注册商标。
72

