Page 23 - 21-工艺气体元件(特气阀)
P. 23
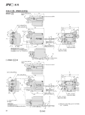
IP8□ 系列
外形尺寸图/IP8001(杠杆型)
IP8001- 0□0 OUT2.1/4(Rc,NPT,G) 110
0□3 带堵头
38
A
OUT1.1/4(Rc,NPT,G)
SUP.1/4(Rc,NPT,G) 192
198
40 110
23.5 43
38 35 58 23.5
11 9 OUT2
MPa
39 39 42
117 16
147 MPa 6.1 65 20
A 122
electro-pneumatic 50
1
125 22.5
附带品分类E的场合110
附带品分类F的场合110 5
150
E
1/2(G,NPT),M20 125 附带品分类E的场合195
35 4×M8×1.25 深12
电气配线 194 附带品分类F的场合275
背面安装用内螺纹
带树脂线缆类的场合(可选项)
2×M8×1.25 深12
适合线缆外径 ø7~ø9:P368010-26
适合线缆外径 ø9.1~ø11:P368010-27 侧面安装用内螺纹
121
31 46
2
□-IP8001- 0□2 -W 13
0□4
OUT2.1/4(Rc,NPT,G) 110
带堵头
38
OUT1.1/4(Rc,NPT,G) A
192
SUP.1/4(Rc,NPT,G)
198
40 110
23.5 43
38 35 58 23.5
11 9 SMC OUT2
MPa
39 39 42
109 SMC 16
147 MPa electro-pneumatic 6.1 65 20
A 122 50
125 22.5
14 附带品分类E的场合110
附带品分类F的场合110 5
150
23 28 125 附带品分类E的场合195 4×M8×1.25 深12
229 附带品分类F的场合275
背面安装用内螺纹
2×M8×1.25 深12
侧面安装用内螺纹
2×1/2(G,NPT), M20
电气配线 121
E
树脂制线缆夹 31 注) 附带品区分的带LCD窗主体外壳与型号规格
适合线缆外径 ø6~ø12 46 无关,可任意选择。
(仅在选择本质安全防爆构造品M20时附带)
2
13
23

