Page 136 - 17-流体控制元件
P. 136
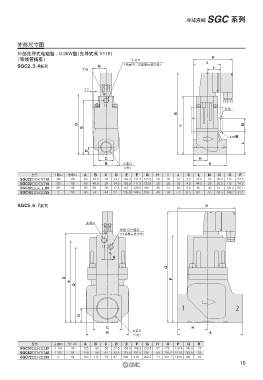
SGC
冷却液阀 系列
外形尺寸图
外部先导式电磁型 :0.35W型(先导式阀 V116)
(导线管插座) 先导口 J P
SGC2、 3、 4系列 N 〈背面PE :过滤器标准安装〉 I
手动
2.3
12
托架
G
O F M
E
4×øK
L
1 2
D
C H
B 主通口 A
(2处)
型号 主通口 先导口 A B C D E F G H I J K L M N O P
SGC22□□-□□10 3/8 1/8 63 49.6 29 14.5 103.3 111.3 155.8 26 26 52 4.5 44.5 25 26.3 115 74.2
SGC22□□-□□15 1/2 1/8 63 49.6 29 14.5 103.3 111.3 155.8 26 26 52 4.5 44.5 25 26.3 115 74.2
SGC32□□-□□20 3/4 1/8 80 59 35 17.5 112 120.5 165 35 31 62 5.5 48 30 31 124.2 80.1
SGC42□□-□□25 1 1/8 90 74 44 22 135.9 144.5 189 40 36 72 6.5 60 35 39.5 148.2 91.1
SGC5、 6、 7系列 P
先导口
先导 EXH通口
〈过滤器标准安装〉
12
PE
R
G
O F
E
Q
1 2
D
C H
B 主通口 A
(2处)
型号 主通口 先导口 A B C D E F G H O P Q R
SGC52□□-□□32 1 1/4 1/8 125 82 55 27.5 158.3 168.3 212.8 57 172 110.9 145.3 13
SGC62□□-□□40 1 1/2 1/4 140 98 61 30.5 179.5 191.5 236 59 195.2 121.6 163.5 19
SGC72□□-□□50 2 1/4 160 115 74 37 206 218 262.5 71 221.7 143.6 190 19
10

